CM-FS-C 開縫短型聯軸器
夾鉗式開縫短型聯軸器輕巧、適合譯碼器、小馬力傳動、開縫型撓性聯軸器、零迴轉間隙、彈性作用補償徑向、角向和軸向偏差、高扭矩剛性、高負荷。

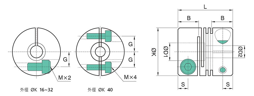
尺寸表
型號 | D1 × D2/公差 Tolerance(H8) | ØK | S | B | L | G | M | 重量(g) | |
---|---|---|---|---|---|---|---|---|---|
min | max | ||||||||
CM-FS16C | 4 | 6 | 16 | 3.4 | 6.8 | 18 | 5 | M2.5 | 8 |
CM-FS20C | 5 | 8 | 20 | 3.8 | 7.65 | 20 | 6.5 | M3 | 13 |
CM-FS25C | 6 | 10 | 25 | 4.8 | 9.6 | 25 | 9 | M3 | 25 |
CM-FS32C | 6 | 14 | 32 | 6.3 | 12.6 | 32 | 11 | M4 | 53 |
CM-FS40C | 10 | 16 | 40 | 7.5 | 15.3 | 40 | 14 | M5 | 117 |
特性表
型號 | 常用扭力 (N.m) | 最大扭力 (N.m) | 容許角度偏差 Allowable Angular Error | 最高轉速 (rpm) | 慣性矩 (kg.m²) | |
---|---|---|---|---|---|---|
偏角 (°) | 軸向位移(mm) | |||||
CM-FS16C | 0.3 | 0.6 | 1 | ±0.2 | 9500 | 2.9×107 |
CM-FS20C | 0.5 | 1 | 1 | ±0.2 | 7600 | 7.5×107 |
CM-FS25C | 1 | 2 | 1 | ±0.2 | 6100 | 2.3×106 |
CM-FS32C | 2 | 4 | 1 | ±0.2 | 4800 | 8.1×106 |
CM-FS40C | 5 | 10 | 1 | ±0.2 | 3800 | 1.9×105 |
● 一體成型金屬彈性聯軸器、零背隙、剛性大、偏角誤差較佳。
● 適合譯碼器、小馬力傳動機構、高精密傳動上。
● 不鏽鋼材質扭力較佳。
● 不鏽鋼材質較適用於無塵室。
● 固定方式:夾緊式。
● 本體材質:鋁合金、表面陽極處理。